AWS 기술 블로그
LG전자 ES사업부, Agentic Workflow로 전문 엔지니어처럼 도면을 분석하다
이 블로그는 LG전자 ES사업부와 AWS Generative AI Innovation Center의 협업으로 작성되었습니다.
숙련된 엔지니어가 2-3일 걸리던 건물 도면 분석, AI가 10분 만에 완료한다면? LG전자 ES사업부는 상업용 건물을 위한 에너지 효율적인 공조 시스템과 Building Management Systems (BMS, 건물 관리 시스템)를 개발하는 글로벌 리더입니다. 실시간 모니터링과 에너지 최적화를 통해 건물 운영의 효율성을 극대화하는 것이 이들의 핵심 미션입니다.
직면한 과제: 비구조화된 도면 데이터의 한계
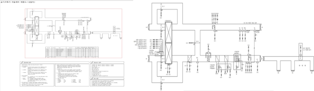
BMS에서 설계도면(계통도)은 건물 제어 인프라의 핵심 구성요소입니다. 대부분의 계통도가 비구조화된 CAD 파일 (.dwg 혹은 .dxf) 형태로 존재하며, LG전자 ES사업부는 계통도로부터 내용을 분석해 구조화된 데이터 형태로 변환하기 위해 숙련된 엔지니어가 이를 수작업으로 진행해왔습니다. 아래의 예시에서 보다 자세히 설명 드리겠습니다.

왼쪽 초록색 박스 안에 있는 계통도에서, 줌인 되어 있는 노란색 박스 안에 있는 관제점(DI: Digital Input)의 기능(AL로 표시된 경보)과 그와 연결된 연결기기(DP 밑에 지그재그 모양인 필터)를 읽습니다. 여기서 핵심이 되는 관제점이란 BMS 시스템에서 건물 내 각종 장비를 모니터링하고 제어하는 접점이며, 본 과제에서는 네 가지 관제점(AI, AO, DI, DO: Analog Input/Output, Digital Input/Output)이 있습니다.
개별적인 관제점들을 분석해서 오른쪽과 같이 구조화된 테이블로 정리하는 것이, 앞서 언급한 수작업 업무입니다. (표의 여섯 번째 줄을 보시면 AHU-203-필터-경보가 노란 박스에 해당합니다.)
이를 자동화하기에는 세 가지 핵심 문제가 있었습니다:
1. 다양성
- 엔지니어링 회사마다 표준화가 부족하여 심볼, 레이아웃, 표기법이 천차만별입니다. 이로 인해 규칙 기반 자동화 접근 방식은 효과가 없었습니다.
- 예를 들어 관제점이 위의 예시와 같이 괄호 안에 있는 경우도 있고, 동그라미 안에 표기된 경우도 있습니다.
2. 암묵적 지식
- 공간 제약으로 모든 정보가 도면에 명시적으로 그려지지 않습니다. 숙련된 엔지니어는 “Supply Fan 뒤에는 차압 스위치가 반드시 존재해야 함”과 같은 도메인 지식으로 생략된 세부사항을 해석하는데, 이러한 인지 프로세스는 기존 AI로는 구현이 불가능했습니다.
- 위의 예시에서 지그재그 모양과 필터를 연결시키는 것은 계통도만 봐서는 할 수 없습니다. 다른 곳에서 정보를 가져와야 합니다.
3. 해상도 제약
- 대규모 건축 도면을 Vision Language Model에 한 번에 입력하면 너무 많은 정보가 있어서, AI가 작은 텍스트와 심볼 같은 중요한 세부사항을 인지 못하는 경우가 종종 발생합니다. 그래서 논리적/기능적 단위로 도면을 분할하는 것이 필요한데, 그러한 솔루션은 전무한 상황이었습니다.
- 위의 예시에서 계통도 내에 매우 많은 정보가 있는 것을 보실 수 있습니다. 이 경우 해상도 문제로 VLM이 세부 정보를 놓치거나 할루시네이션이 발생하는 경우가 종종 있습니다.
이러한 기술적 한계는 심각한 비즈니스 문제로 이어졌습니다. 숙련된 엔지니어가 하나의 건물에 대한 계통도들을 분석하는 데 2-3일이 소요되었습니다.
혁신적 해결책: Agentic Workflow로 전문가 수준의 자동화 실현
LG전자 ES 사업부는 AWS Generative AI Innovation Center와 협력하여 이 문제를 AI를 통해 자동화하기로 결정했습니다. 단순한 OCR이나 이미지 인식을 넘어, 숙련된 엔지니어의 사고 프로세스를 복제하는 Agentic Workflow를 구축했고, 이를 통해 다음과 같은 성과를 달성했습니다.
- 처리시간 단축: 2-3일 (Before: 전문 엔지니어가 수동으로 분석 시) → 10분 (After: Agentic AI가 병렬 분석 시)
- 91% 정확도: 전문가 수준의 분석 품질 (99개 중 90개 정확)
- 확장 가능: 분산 멀티 에이전트 처리로 대량 도면 동시 분석
이 프로젝트는 복잡한 기술 도면 해석이라는 B2B 영역에서 비전 AI와 추론 AI를 결합한 혁신적 사례입니다. 수십 년간 축적된 엔지니어링 전문 지식을 AI에게 이식하고 적용할 수 있음을 입증했습니다.
시스템 아키텍처
본 프로젝트는 AWS AgentCore 기반 멀티 에이전트 오케스트레이션 시스템으로 구축되었습니다. 독립적인 정보들(계통도들 그리고 계통도 내의 관제점들)을 AWS 클라우드 위에서 최대한 병렬처리를 할 수 있도록 아키텍처를 구성했습니다. 그 결과 단시간에 수많은 전문 엔지니어가 작업하는 것과 같은 효과를 냈고, 이는 2-3일 작업을 약 10분으로 단축하는 성과를 낼 수 있었습니다.

Orchestrator Agent: 원본 파일 분석 후 각 담당 Agent들에게 작업 할당
Orchestrator Agent는 중앙 조율자 역할을 수행하며, 복잡한 워크플로우를 관리합니다. 이 에이전트는 인풋으로 들어온 .dxf 파일들을 분석하여, 공통적으로 활용되어야 할 정보가 있는 .dxf는 common info aggregator Agent로, 그렇지 않은 .dxf 파일들을 dxf info aggregator Agent로 분배하게 됩니다. 그리고 이 Agent들로부터 정보가 취합되면, 세부 정보를 추출하는 detailed info aggregator Agent에게 작업을 할당하게 됩니다.
나머지 Agent들은 세세히 설명하기보다는 크게 문제 해결을 위해 어떻게 접근했는지, 그리고 각 내용에 해당하는 Agent들은 아래에 기술하도록 하겠습니다.
문제 해결을 위한 접근방식
우선 저희들은 이 문제를 해결하기 위해 엔지니어가 작업하는 방식과 가장 유사한 Agentic Workflow를 구축했습니다. (Agentic Workflow란 AI가 스스로 생각(추론), 계획, 분석, 수정 과정을 반복하며 자율적으로 업무를 처리하는 AI 기반 다단계 프로세스입니다.)
크게 Agentic Workflow는 4단계 구조로 진행되게 됩니다. 그리고 각 단계 내에서 AI Agent들이 자율적으로 도면 특성을 분석하고 최적의 전략을 자율적으로 선택·실행·검증합니다. 특히 핵심적인 혁신사항으로, 사용자의 구체적인 프롬프트 없이도 AI가 성공 사례를 자율적으로 분석하여 자체적인 검증 기준을 자기 언어로 정의하고, 이를 기반으로 자가 평가와 오류 수정을 반복합니다.
4단계의 Agentic Workflow: 엔지니어의 사고방식 복제

1단계: CAD 파일 구조 이해
- 이 단계에서는 AI Agent가 CAD 파일 구조를 파악해서 2단계에서 어떤 작업을 수행할지 전략을 결정합니다.
2단계: 필요부분 패칭(분할)하기 (Patching)
- 이 단계에서 Agentic AI는 다음 단계에서 AI가 정보를 빠짐없이 제대로 추출하기 위해, 논리적/기능적 단위로 이미지를 패칭합니다.
- 특히 패칭이 잘된 예시를 Agentic AI가 분석, 전략에 맞는 코드 작성 및 실행, 제대로 패칭되었는지 검토를 하게 됩니다.
3단계: 패칭 부분에서 정보 추출
- 이 단계에서는 2단계에서 패칭된 이미지에서 필요 정보들(텍스트 및 시각 요소)를 추출합니다.
4단계: 추출정보로 심화 추론 및 분석
- 이 단계에서는 앞 단계에서 추출된 정보들과 엔지니어들로부터 획득한 암묵지 정보들을 모두 종합하여, 최종 목표인 관제점별로 심화 추론 및 분석을 진행합니다.
아래에서 보다 자세히 각 단계의 구체적인 구현 방법을 살펴보겠습니다.
1+2 단계: CAD 분석 및 패칭작업
AI가 스스로 도면을 자르는 방법: Context-Aware Intelligent Patching
서두에 언급한 바와 같이 대형 CAD 도면을 Vision Language Model (VLM)로 한 번에 처리하면 해상도 제약으로 작은 텍스트와 심볼이 손실됩니다. 하지만 단순히 고정된 크기로 자르면 중요한 정보가 경계에서 잘릴 수 있습니다.
저희는 숙련된 엔지니어가 도면을 보는 방식을 모방했습니다. 엔지니어는 “대략 이렇게 나눠보고, 결과를 보면서 조정”하는 방식으로 작업합니다. 이를 모사해 Agentic Workflow는 아래와 같이 동작하게 됩니다. 크게 총 3가지의 Stage가 있고, 이는 아래에 보다 자세히 기술하겠습니다.

STAGE 1: ANALYZE – AI가 “좋은 분할”을 시각적으로 학습
기존 규칙 기반 시스템의 한계는 명확합니다. “제목을 포함해야 한다”, “표를 완전히 담아야 한다”는 규칙을 텍스트로 작성해도, 실제 도면에서 무엇이 제목이고 어디까지가 하나의 표인지 판단하기 어렵습니다. 특히 LG전자가 다루는 도면들은 설계 회사마다 레이아웃이 달라 고정된 규칙으로는 대응이 불가능했습니다.
Example Analyzer의 혁신: Visual Learning
Example Analyzer는 올바르게 패칭된 이미지와 원본 이미지를 비교하며 “무엇이 좋은 분할인가”를 시각적으로 학습합니다. Claude Opus 4.6이 두 이미지를 분석하며 다음을 파악합니다:
- 원본에서 어떤 부분이 하나의 섹션으로 추출되었는가?
- 섹션 경계는 어떤 시각적 특징(선, 여백, 박스)으로 결정되었는가?
- 제목은 섹션 내부에 있는가, 외부에 있는가?
- 표의 경우 열/행 구분선을 어떻게 인식했는가?
우선 앞으로 분할이라고 표현하겠지만 엄밀히는 .dxf로 된 도면을 필요부분만 추출해서 다시 그리는 것을 의미합니다. 그 이유는 다음과 같습니다.

위쪽은 원래 도면이고, 아래 왼쪽은 원래 도면의 빨간색 박스를 이미지로 분할했을 때 결과입니다. 이 경우 보시다시피 해상도 손실로 인해서, 선명하지 않은 결과가 나오게 됩니다. 반면 아래 오른쪽은 원본 도면 (.dxf 파일)의 필요 부분의 정보를 Python에서 다시 그린 결과입니다. 이 경우 이미지가 선명한 것을 보실 수 있습니다.
다음 예를 살펴보면서 보다 자세히 알아보도록 하겠습니다.
왼편은 원본 도면이며, 오른편은 포커싱을 위해 제대로 분할된 도면 중 하나입니다.
이를 인풋으로 받아 Example Analyzer는 AI 본인의 언어로, 왜 유저가 잘 분할되었다고 했는지 이유를 분석합니다. Claude Opus 4.6이 분석한 결과는 아래와 같습니다.
학습된 기준: 올바른 분할은 다음 특성을 가진다:
1) 섹션 제목이 분할 영역의 최상단 좌측에 명확하게 위치함.
2) 제목 아래로 해당 섹션에 속하는 모든 구성요소가 완전히 포함됨.
3) 인접한 다른 섹션의 제목이나 내용이 전혀 포함되지 않음.
4) 분할 경계 외부는 완전히 비어있어 깨끗함.
5) 하나의 논리적 단위로 구성된다.
STAGE 2: MODIFY – 실패에서 배우는 지능형 오류 수정
STAGE 1에서 학습한 기준을 바탕으로 Section Splitter가 실제 분할을 실행합니다. 하지만 첫 시도가 항상 성공하는 것은 아닙니다.

왼쪽은 다른 서플라이어의 원본이며, 오른쪽은 STAGE 1에서 성공한 코드로 분할한 섹션 중 하나입니다. 자세히 보시면 상단에 제목이 잘려 있는 것을 보실 수 있습니다. 앞서 살펴봤던 예시와 달리 이 서플라이어는 제목을 섹션 외곽에 배치했기 때문입니다. 이는 AI가 학습한 기준 1번을 위배합니다.
실패 사례: 제목 누락
First Evaluator가 분할 결과를 검증하던 중 제목이 잘린 것을 발견했습니다. Error Analyzer는 근본 원인을 파악합니다: “제목이 박스 외부 상단에 위치한 케이스를 처리하지 못함. 박스 상단 좌표를 그대로 분할 시작점으로 사용하여 제목 영역 누락.”
Strategy Planner가 수정 전략을 수립합니다:
- VLM을 활용해 제목 위치 감지 (박스 내부 vs 외부)
- 제목이 외부에 있으면 상단 여백 50px 추가
- 분할 시작 좌표를 title_top_y – 50으로 조정
- 제목과 박스 사이 간격이 30px 이상이면 별도 섹션으로 분리
Code Modifier가 이 전략을 코드로 구현하고, 시스템은 자동으로 재실행합니다. 평균 2.3회의 반복 후 성공적인 분할을 달성합니다.
그 결과는 아래와 같습니다.

왼쪽은 최초 분할의 결과 중 하나이며, 오른쪽은 Agentic Workflow가 도출해낸 결과입니다. 제목이 제대로 나왔음을 알 수 있습니다. (물론 나머지도 제대로 나왔습니다.)
STAGE 3: EVALUATE – 다양한 시나리오에서의 실전 검증
STAGE 2에서 코드가 성공적으로 수정되었어도, 하나의 케이스만 통과한 것입니다. Section Validator는 다양한 실전 시나리오에서 검증합니다.
복잡한 Blueprint + Table 혼합 케이스
가장 까다로운 사례는 다이어그램과 제어점 테이블이 혼재된 도면입니다. 초기 분할에서는 테이블이 다이어그램 하단에 배치되어 VLM이 제어점 분석 시 혼란을 겪을 것으로 예상되었습니다.
Strategy Planner의 개선 방향:
- 다이어그램 영역만 별도 추출
- 테이블 정보는 메타데이터로 저장
- 테이블 제거 후 순수 Blueprint만 고해상도 유지
최종 결과는 4096×3072 해상도의 순수 Blueprint 이미지로, 모든 제어점 라벨(AI, AO, DI, DO)이 선명하게 보존되고, 1px 세선까지 인식 가능하며, EC FAN, DM, ST 등 모든 기호가 명확합니다.

왼쪽은 계통도를 제대로 분석하기 위해 첫 번째 패칭작업이고 (빨간색 박스), 보시다시피 왼쪽 일부 설명이 잘린 것을 보실 수 있습니다. 오른쪽은 Agentic Workflow가 도출해낸 결과입니다. 마찬가지 방법으로 테이블들도 제대로 패칭할 수 있습니다.
심화 분석을 위한 타겟 패칭
최종 목표인 계통도 내에서 관제점별 기능과 연결기기를 파악하기 위해서는, 관제점 주변부를 포커싱해서 패칭해야 합니다.

왼쪽은 앞서 살펴본 바와 같이 도면에서 계통도만 패칭한 결과입니다. 이는 많은 정보를 담고 있기 때문에, 특정 관제점을 파악하기 위해서는 빨간색 박스 내의 Zoom-in이 필요합니다. 이 경우도 Agentic Workflow를 통해 오른쪽과 같이 선명한 패칭 그리고 타겟 관제점에 빨간색으로 하이라이트해서 AI가 새로 그린 것을 보실 수 있습니다. 이는 뒤에 기술될 심화 분석에 사용될 것입니다.
3단계: 정보 추출
도면의 “사전” 만들기 — 범례와 기기 정보 추출
앞서 살펴본 바와 같이 계통도만 봐선 내용을 알 수 없는 경우 엔지니어들은 범례 및 기기 목록을 확인합니다. 도면에 등장하는 심볼이 무엇을 의미하는지, 각 기기의 상세 사양이 어떻게 되는지를 먼저 파악해야 본격적인 분석이 가능합니다. 이 과정을 3단계에서 Agentic Workflow가 수행하게 됩니다.
범례에는 아래와 같이 기호와 그에 관한 내용으로 구성된 테이블입니다. 두 개의 테이블이 하나의 .dxf 파일에 있어서 한 번에 이를 VLM이 이해하기에는 해상도 문제로 인해 어려움이 있지만, 이는 앞서 언급된 패칭 방법으로 테이블들을 손쉽게 나눌 수 있습니다.
심볼 이미지와 텍스트 설명이 혼재되어 있습니다. 문제는 이 두 가지 정보가 명확하게 분리되어 있지 않다는 것입니다. 아래 범례 예시를 살펴보겠습니다.

보다 확대된 예시는 다음과 같습니다.

붉은 선을 기준으로 왼쪽은 텍스트로 구성된 기호들이고, 오른쪽은 이미지로 구성된 기호들입니다. (앞선 예시에서 보셨던 필터가 오른쪽의 중간에 위치해 있음을 확인하실 수 있습니다.) Agentic Workflow를 통해 텍스트로 구성된 정보들은 .json으로, 이미지로 구성된 정보들은 .png로 재정리되어서 4단계인 심화분석 및 추론에서 활용되게 됩니다. 이를 통해 4단계에서는 Agentic Workflow가 텍스트와 시각 정보를 동시에 활용하는 멀티모달 기반 심화 추론 및 분석을 수행하게 됩니다.
4단계: AI가 전문 엔지니어가 되는 순간 — 심화 추론 및 분석
4단계는 이 프로젝트의 핵심이자 가장 도전적인 단계입니다. 앞선 단계에서 확보한 모든 정보를 종합하여, AI가 도면에서의 각 관제점, 심볼의 기능과 연결 기기들을 파악하는 것입니다. 숙련된 엔지니어의 추론 과정은 다음과 같습니다.
- 분석하고자 하는 관제점을 전체 계통도에서 어떤 역할을 하는지 파악
- 기기 목록, 범례 등 계통도 외부 정보를 활용하여, 분석 타겟 관제점이 세부적으로 어떤 역할을 하는지 파악
- 암묵적 지식에 따라 최종 분석 완료
앞으로 각 단계에 대해 자세히 알아보도록 하겠습니다.
STAGE 1: 전체 계통도의 맥락 파악
개별 관제점을 분석하기 전에, AI는 먼저 전체 계통도에서 각 관제점의 역할을 거시적으로 파악합니다. 이 단계에서는 2단계 Stage 3에서 살펴본 전체 도면을 인풋으로 하여 Claude Opus 4.6의 기본 엔지니어링 지식을 최대한 활용합니다.
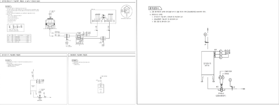
예를 들어, 2단계에서 패칭된 전체 계통도 이미지와 타겟 관제점 DI에 관해 VLM에 분석시킨 결과는 다음과 같습니다.
Expected Role: DI(Digital Input)는 공조기 자동제어 계통도에서 디지털 입력 신호를 받아들이는 관제점으로, 일반적으로 기기의 운전 상태(ON/OFF), 알람 상태, 인터록 신호 등을 감지하는 역할을 수행함
Actual Role: 이미지에서 확인한 DI 관제점은 EC FAN(급기팬)의 운전 상태를 감지하는 디지털 입력 관제점으로, EC FAN의 기동/정지 상태 또는 이상 유무를 모니터링하는 역할을 수행
이 단계에서 얻을 수 있는 중요한 인사이트는 Opus 4.6의 기본 엔지니어링 지식만으로 위와 같은 정보를 충분히 뽑아낼 수 있다는 것입니다. 이러한 거시적 분석은 이후 개별 관제점의 세부 분석에서 중요한 참조 정보로 활용됩니다.
STAGE 2: 개별 관제점의 정밀 분석
전체 맥락 파악 후, 2단계 Stage 3에서 살펴본 논리적/의미론적으로 분할된 타겟 관제점과 그 주변부가 포함된 패치를 활용해 각 관제점을 하나씩 정밀하게 분석합니다. 예를 들어 아래와 같이 패칭된 이미지를 Agentic Workflow는 다음과 같이 분석합니다. 이때 앞서 살펴본 3단계에서 추출된 정보들이 적극 활용됩니다.

Agentic Workflow는 빨간색으로 하이라이트된 관제점에서 물리적으로 연결된 배선(빨간 선)을 추적하여 1차 연결 기기를 식별합니다. DI 관제점으로부터 연결된 빨간 선을 따라가고, 그리고 앞서 살펴본 Stage 1에서 나온 결과를 종합하면 이 관제점은 “EC FAN(급기팬)”에 연결되어 있습니다. 하지만 관제점 기능에 대해선 아무런 정보가 없습니다.
STAGE 3: 암묵적 지식을 활용해 최종 분석
3단계에서 추출된 정보 이외에도 엔지니어들만 아는 암묵적 지식, 즉 암묵지가 존재하며 이를 기반으로 많은 분석들이 이루어집니다. 저희는 엔지니어로부터 획득한 전문 지식을 기기 유형별 프롬프트로 구조화하고, AI가 1차 연결 기기를 식별한 후 해당 기기에 맞는 프롬프트로 자동 라우팅하도록 개발을 진행했습니다.
그 결과 Agentic Workflow는 STAGE 2에서 찾은 1차 연결기기와 관련된 암묵지 프롬프트를 살펴봅니다. 예를 들어, 앞서 살펴본 EC FAN의 암묵지는 다음과 같습니다.
관제점이 EC FAN과 연결되어 있다면, EC FAN이 속한 덕트 라인의 팬이 최종 연결기기가 된다.
이 경우 왼편에 있는 DI의 관제점 기능은 상태, 오른쪽에 있는 DI의 관제점 기능은 알람이 된다.
이를 통해 EC FAN이 SA(Supply Air, 급기) 덕트에 연결되어 있으므로, 타겟 관제점의 연결기기는 SF(급기팬), 그리고 기능은 상태임을 도출할 수 있습니다.
가장 도전적이었던 사례: 동일 기기, 다른 이름
이번에는 이 프로젝트에서 가장 어려웠던, 그리고 Agentic Workflow의 강력한 힘을 알아볼 수 있었던 사례를 소개합니다. 아래 그림에서 빨간 박스로 표시된 세 개의 AO 관제점은 모두 댐퍼(DM)에 연결되어 있고, 외형도 동일합니다.

그러나 엔지니어는 각 관제점들의 연결기기-기능을 다르게 분석합니다. 그 이유는 각 댐퍼가 계통도 내에서 서로 다른 위치에 있으면서 다른 역할을 하기 때문입니다. STAGE 1에서 파악한 전체 맥락이 여기서 결정적인 역할을 합니다.
- 상단 AO: 외기(EA) 덕트에 위치하며, 전열교환기를 바이패스하는 구조 → 외기 바이패스 댐퍼(External By-pass Damper)
- 좌측 AO: 외기(EA) 덕트에 위치하지만 바이패스하지 않는 구조 → 외기 댐퍼(External Damper)
- 우측 AO: 여러 방향의 공기가 혼합되는 덕트에 위치 → 혼합 댐퍼(Mixed Damper)
이처럼 동일한 기기(DM)에 연결되어 있더라도, 계통도 내 위치와 공기 흐름의 맥락을 종합적으로 분석해야만 정확한 이름을 부여할 수 있습니다. 이것이 바로 숙련된 엔지니어만이 가진 암묵적 지식이며, 우리 시스템은 전체 계통도 맥락 파악과 암묵적 지식을 결합하여 이를 성공적으로 분석하였습니다.
맺음말
이 프로젝트는 단순한 자동화가 아닙니다. 수십 년간 숙련된 엔지니어들이 축적해 온 암묵적 지식을 AI 시스템에 이식하고, 이를 대규모로 재현할 수 있음을 입증한 사례입니다.
본 프로젝트를 수행하며 단순히 기술적 문제를 해결하는 것이 아니라, “과연 엔지니어의 직관과 경험을 AI가 복제할 수 있는가?”라는 근본적인 질문을 하였습니다. 도면에 명시적으로 그려지지 않은 정보를 읽어내고, 전체 시스템의 맥락 속에서 개별 요소의 역할을 판단하는 것은 고도의 인지 능력을 요구하는 작업입니다.
이를 가능하게 한 핵심 요소는 세 가지였습니다.
- 논리적/의미론적 분할: Agentic Workflow가 자율적으로 최적의 결과를 도출합니다. 사람이 세세한 규칙을 프롬프트로 작성하는 대신, AI가 성공 사례를 분석하여 자체 판정 기준을 수립하는 이 접근 방식은 다양한 도면 형식에 대한 범용성을 확보하는 데 결정적이었습니다.
- AI의 엔지니어링 지식 활용: Claude Opus 4.6의 기본 엔지니어링 지식을 최대한 활용하여, 마치 기본적인 엔지니어링 지식을 갖춘 신입 엔지니어를 투입한 것과 같은 효과를 냈습니다. AI는 전체 계통도의 맥락을 파악하고 각 관제점의 역할을 거시적으로 이해함으로써, 전문가 수준의 분석을 수행할 수 있었습니다.
- 계통도 외부 정보의 통합 활용: 계통도 도면 자체에는 존재하지 않는 외부 정보들—범례, 기기 목록, 그리고 엔지니어들의 암묵적 지식—을 체계적으로 추출하고 주입했습니다. 이를 통해 AI는 도면에 명시적으로 그려지지 않은 정보까지 추론할 수 있었으며, 이는 숙련된 엔지니어만이 가능했던 고도의 인지 작업을 재현하는 핵심이었습니다.
향후 계획
이번 프로젝트는 BMS 시스템 내 공조기 도면 분석에서 시작했지만, 동일한 Agentic Workflow 파이프라인은 칠러, 냉동기, 조명 제어 시스템 등 다른 건물 설비로 쉽게 확장 가능합니다. 특히 1~3단계의 Agentic Workflow는 도면 유형에 관계없이 동일하게 적용되며, 4단계의 심화 추론만 각 시스템별 암묵적 지식 프롬프트를 추가하면 됩니다. 따라서 LG전자 ES사업부는 본 과제를 기반으로 프로덕션화할 수 있게 전면 확장할 계획입니다.
뿐만 아니라, AWS는 더 나아가 이 접근 방식은 건물 자동화를 넘어 조선, 반도체, 자동차 등 엔지니어링 도면이 존재하는 모든 산업 분야에 적용할 수 있습니다. AI가 도면의 시각적 정보와 도메인 지식을 융합하여 전문가 수준의 분석을 수행하는 이 방법론은, 숙련된 엔지니어의 암묵적 지식을 대규모로 재현할 수 있는 가능성을 보여주었으며, 향후 다양한 산업에서 도면 분석 자동화의 새로운 표준이 될 것으로 기대됩니다.
참고 자료
- Amazon Bedrock: https://aws.amazon.com/ko/bedrock/
- Amazon Bedrock AgentCore: https://aws.amazon.com/ko/bedrock/agentcore/